Zhejiang Sehnaider Electric Co., Ltd.
Zhejiang Sehnaider Electric Co., Ltd.
Productus
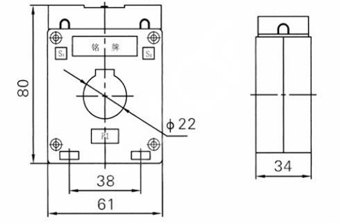
BH-0,66-20 Current Transformers
  • BH-0,66-20 Current TransformersBH-0,66-20 Current Transformers

BH-0,66-20 Current Transformers

BH-0.66-20 Current Transformers sunt High Quality Current Transformers disposito enim accurate mensurae et vigilantia electrica excursus in variis industriae applications. Cum autem rated current of 0.66a et frequency of L / 60hz, haec transfugerunt providere certa perficientur et precise lectionum.

BH-0,66-20 Current Transformers pluma a pacto et robust consilio, faciens ea idoneam institutionem in stricta spatia et dura ambitus. Sunt instructa summus qualitas materiae et components ut diu-term stabilitatem et diuturnitatem.


Hi current Transformers sunt facile ut install et ponere, faciens ea specimen pro amplis applications, comprehendo potentia distribution, industria procuratio, et industriae automation. Et parere internationalis signa ad salutem et perficientur, providing users cum pace mentis et fiducia in operationibus.


Altiore, bh-0,66-20 current Transformers sunt perfecta choice pro accurate current mensurae et vigilantia in Industrial occasus, offering reliability, praecisione, et diuturnitatem pro variis electrica systems.


Main Technical parametri

Rated prima
Current (a)
Accuratio
classes
iunctio
Rated secundarium output (VA) Est scelerisque current (ka) Rated Dynamic current (Ka)
0,2 (s) 0.2 0.5 10p10
5-40 0,2 / 10p10
0,5 / 10p10
/ 10 10 15 90lin 220lin
5-40 100lin 250Lin
5-40 20 50
5-40
5-40 36 90
10
5-40 45 100
5-40 56 100
5-40
5-40 80 110
5-40 100 110



Hot Tags: BH-0,66-20 Current Transformers
Mitte Inquisitionem
Contactus info
Si quis inquisitionis de quotation vel cooperante, placere sentire liberum ad email nos ad rarishthdahuelec.com vel uti sequenti inquisitionis forma. Nostri venditionesque repraesentativum et contact vobis in XXIV horas. Tibi gratias ago pro interest in products.
X
Crusulis utimur ut meliorem experientiam pasco tibi praebeamus, situm negotiationis et personalize contentus analyse. Hoc situ utendo, ad nostrum crustulorum usum consentis. Privacy Policy
Reject Accipe