Zhejiang Sehnaider Electric Co., Ltd.
Zhejiang Sehnaider Electric Co., Ltd.
Productus
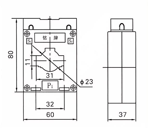
BH-0.66-30 Current Transformers
  • BH-0.66-30 Current TransformersBH-0.66-30 Current Transformers

BH-0.66-30 Current Transformers

BH-0,66-30 current Transformers (CTS) sunt praecisione-machinatum instrumenta disposito accurate current mensurae et vigilantia in humilis-voltage electrica systems. Cum a rated Voltage of 0.66kv, haec transformers sunt idealis ad industria procuratio, tutela leoing, et metering applications.

Features:

High Accurative: Meets IEC (LXI) DCCCLXIX signa, cursus fideles perficientur ad exosculatio et vigilantia proposita.

Pacto Design: Space-Salvis constructione facile installation in stricta spatia.

Wide Current Range: Prima current usque ad 30a, idoneam ad diverse industriae et commercial onerat.

Dura materiae: robust habitationi praebet resistentiam ad environmental factores et mechanica accentus.

Salus obsequium: BH-0.66-30 current Transformers obsequium cum internationalis salutem et perficientur certificaciones.


Applications:

Energy metering in potentia distribution systems.

Overcurrent praesidium in circuitu perrectors et relationes.

Integration cum dolor grids et IOT-fundatur Cras Solutions.

Technical Specifications:

Rated voltage: 0.66kv

Frequency: L / 60hz

Accuracy Class: 0.5, 1.0 (Fusce)

Onus: sicut per mos requisitis


Main Technical parametri

Rated prima
Current (a)
Accuratio
classes
iunctio
Rated secundarium output (VA) Est scelerisque current (ka) Rated Dynamic current (Ka)
0,2 (s) 0.2 0.5 10p10
5-40 0,2 / 10p10
0,5 / 10p10
/ 10 10 15 90lin 220lin
5-40 100lin 250Lin
5-40 20 50
5-40
5-40 36 90
10
5-40 45 100
5-40 56 100
5-40
5-40 80 110
5-40 100 110


Hot Tags: BH-0.66-30 Current Transformers
Mitte Inquisitionem
Contactus info
Si quis inquisitionis de quotation vel cooperante, placere sentire liberum ad email nos ad rarishthdahuelec.com vel uti sequenti inquisitionis forma. Nostri venditionesque repraesentativum et contact vobis in XXIV horas. Tibi gratias ago pro interest in products.
X
Crusulis utimur ut meliorem experientiam pasco tibi praebeamus, situm negotiationis et personalize contentus analyse. Hoc situ utendo, ad nostrum crustulorum usum consentis. Privacy Policy
Reject Accipe