Zhejiang Sehnaider Electric Co., Ltd.
Zhejiang Sehnaider Electric Co., Ltd.
Productus
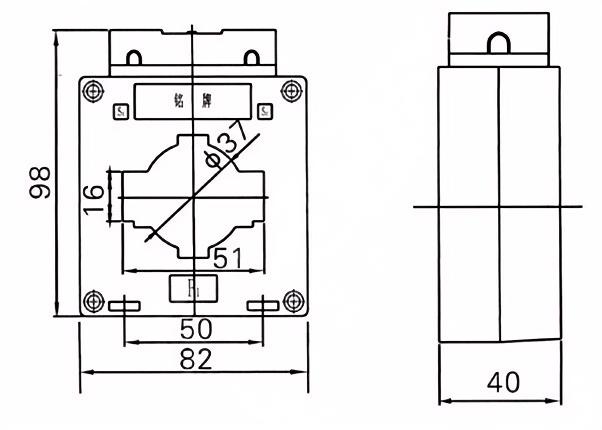
BH-0.66-50 Current Transformers
  • BH-0.66-50 Current TransformersBH-0.66-50 Current Transformers

BH-0.66-50 Current Transformers

Et BH-0.66-50 current Transformers sunt praecisionem instrumenta disposito accurate mensurae et vigilantia electrica excursus in variis industriae applications. Cum a rated current de 50a et transformatio ratio of 0.66, haec Transformers providere certa et precise current mensuras elit.

Umbraticis epoxy resinae current Transformer aut Umbraticis plastic Casting current Transformer

• Una Phase, duo phase vel tres tempus.

• Rating voltage: 0.66kv

• Metering Class CT: 0.2s, 0.2,0,5, 0.5s

• Latin: IEC61869-2

• Type Name: BH-0.66-50

Hoc amet arida genus current Transformer est in 0.66kv, 0.75kv. Power ratio, quia mensuræ et tutela.

Hoc est in cubicle switchgear et in Bay-installed switching statio.

Et BH-0.66-50 current Transformers factum est ex altum temperatus umbraticis epoxy resinae, Amorphous Alloy core ad metering et altum quale intra core in praesidio, primaria et secundarium usum purissimum electrolyticum aeris et secundarium usus munda electrolyticum aeris.


Applications:

Power distribution Systems

Energy Management Systems

Industrial apparatu Cras

Renewable Energy Systems


I. Premium Materials

High-gradus cors: Lainated Silicon Steel aut Nanocrystalline cores ad minimal damna et altus linearity.  

Robust velit: epoxy resinae consilia ut diu-term stabilitatem in dura environments.  


II. Superior perficientur

Accuratio: Class 0,2 / 0,5 ad Metering, 5p / 10p pro tutela, obsequium cum IEC (LXI) DCCCLXIX, (LX) XLIV, IEEE et Ansi Signa.  

Lata: 36kv-sustinet 0.6kv systems, cum consuetudine componat / frequency (L / 60hz).  

Minimum scelerisque ortum: optimized consilio reducit overheating, extendendo lifespan.  

EMC immunitatis: clypeos contra electro intercessiones ad certum annuit.  


III. Service & Support

Custom Solutions: Failed componat, magnitudinum, aut iungo (E.G., Laudate Rail, IEC terminals).  

Global certificationes: IEC, CE, ISO, et loci velit approbationes.  

Lifelong Technical Aid 24/7 Support, institutionem ductu et parcere partes copia.  

Fast Delivery: Latin Products in 2-4 septimanas; expediri options ad urgente necessitatibus.  


Main Technical parametri

Rated prima
Current (a)
Accuratio
classes
iunctio
Rated secundarium output (VA) 1s scelerisque current (ka) Rated Dynamic current (Ka)
0,2 (s) 0.2 0.5 10p10
5-40 0,2 / 10p10
0,5 / 10p10
/ 10 10 15 90lin 220lin
5-40 100lin 250Lin
5-40 20 50
5-40
5-40 36 90
10
5-40 45 100
5-40 56 100
5-40
5-40 80 110
5-40 100 110




Hot Tags: BH-0.66-50 Current Transformers
Mitte Inquisitionem
Contactus info
Si quis inquisitionis de quotation vel cooperante, placere sentire liberum ad email nos ad rarishthdahuelec.com vel uti sequenti inquisitionis forma. Nostri venditionesque repraesentativum et contact vobis in XXIV horas. Tibi gratias ago pro interest in products.
X
Crusulis utimur ut meliorem experientiam pasco tibi praebeamus, situm negotiationis et personalize contentus analyse. Hoc situ utendo, ad nostrum crustulorum usum consentis. Privacy Policy
Reject Accipe