Zhejiang Sehnaider Electric Co., Ltd.
Zhejiang Sehnaider Electric Co., Ltd.
Productus
BH-0.66-60 Current Transformers
  • BH-0.66-60 Current TransformersBH-0.66-60 Current Transformers

BH-0.66-60 Current Transformers

BH-0.66-60 Current Transformers Topic Flamma - retardant materia, et magnetica - faciendi materia est anneaed toroidal core ad curare accurate ad productum ad campester 0,5 et 0.5. Nam Ultra - High accuracy levels ut 0.2s et 0,5s, tantum superconducting magnetes potest occursum talis accurate requisita.

BH-0.66-60 Current Transformers est applicabilis potestatis systems cum rated frequency de 50Hz et rated voltage of 0.66kv, 0.69kv, 0.5kv et infra pro electrica industria meterrae, current mensurae et Nullam praesidium.


Hoc current Transformer Dahu est in umbraticis usum, installed intus distribution cabinets et boxes. Features novae magnetica Circuit consilio, provectus ultricies modos, exquisitam dispensando techniques, tutum et reliable perficientur et parva et pulcher aspectu.


Testa est in altum - Flamma - retardant PC cum plene - inclusum structuram et flamma - retardant rating of V1. Internum Core est de High - Qualis grano - Oriented Silicon Steel pretium. In filum diameter est stricte electus secundum ad oeconomicam current density ut minus temperatus ortum. Cum provectus et reliable temptationis apparatu, quod ensures obsequio qualitatis signa.


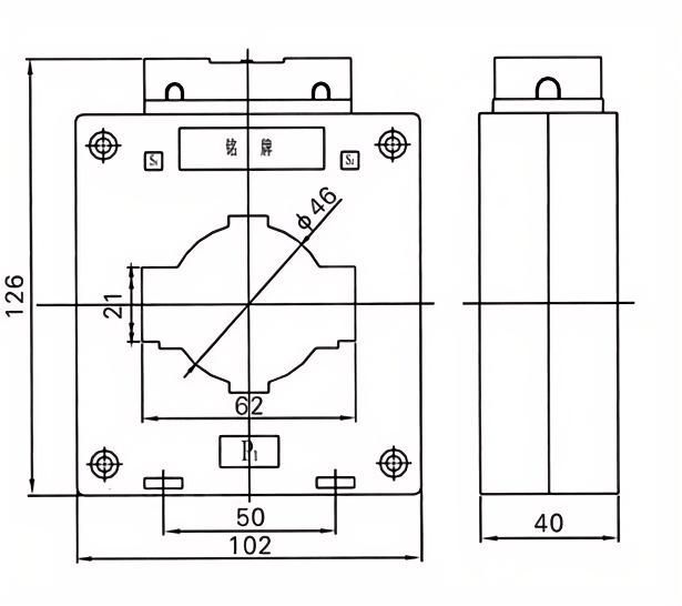
Hoc est quadratum et per foraminis genera, idoneam in uno - radix vel multiple - radix cable penetratio vel una - Root Penetratio. Is est completum uber series, a varietate specifications et late application range.


Applications

Energy Cras et Metering

Circuit praesidio et Nullam coordinationem

Industrial automation et dolor eget systems

Technica cubits

Rated voltage: 0.66kv

Frequency: L / 60hz

Accuracy Class: 0.5, 1.0 (Fusce)

Stuulation campester: 3kv / min


Main Technical parametri

Rated prima
Current (a)
Accuratio
classes
iunctio
Rated secundarium output (VA) 1s scelerisque current (ka) Rated Dynamic current (Ka)
0,2 (s) 0.2 0.5 10p10
5-40 0,2 / 10p10
0,5 / 10p10
/ 10 10 15 90lin 220lin
5-40 100lin 250Lin
5-40 20 50
5-40
5-40 36 90
10
5-40 45 100
5-40 56 100
5-40
5-40 80 110
5-40 100 110


Hot Tags: BH-0.66-60 Current Transformers
Mitte Inquisitionem
Contactus info
Si quis inquisitionis de quotation vel cooperante, placere sentire liberum ad email nos ad rarishthdahuelec.com vel uti sequenti inquisitionis forma. Nostri venditionesque repraesentativum et contact vobis in XXIV horas. Tibi gratias ago pro interest in products.
X
Crusulis utimur ut meliorem experientiam pasco tibi praebeamus, situm negotiationis et personalize contentus analyse. Hoc situ utendo, ad nostrum crustulorum usum consentis. Privacy Policy
Reject Accipe