High Accurative Genus 0,5 - praebet precise current mensurae ad metering et adipiscing applications.
Lata mensuræ range - sustinet multiple current componat accommodare variis onus conditionibus.
Paperback & Lightweight Design - Securus ut install in stricta spatia sine comproming perficientur.
Optimum scelerisque stabilitatem - ensures firmum operatio etiam sub fluctuans temperaturis.
Fortis & SALUTEM - obsequitur cum industria salus signa, offering certa praesidio contra electrica vitia.
Versatile Applications - idealis pro usu in potestate distribution tabulata, industriae automation et renewable industria systems.
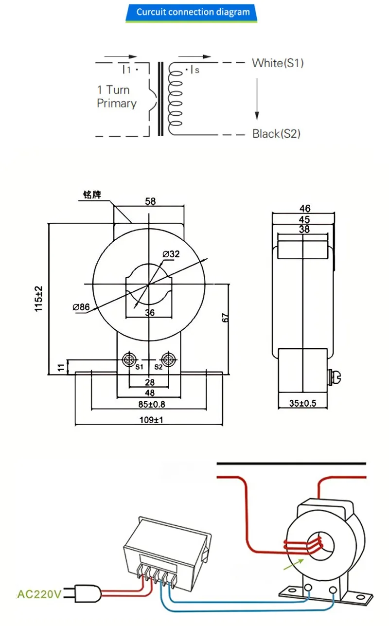
Rated Primary Current: Fusce (E.G .: 5A ~ 2000A)
Rated secundarium current: 5A aut 1a (Latin)
Accuracy Class: 0.5
Frequency: 50Hz / 60Hz
Stuulation campester: usque ad 3kv
Operating Temperature: -25 ° C ad + LXX ° C
Power Metering & Energy Cras
Donec Relas & Circuit Burana
Industrial & Commercial Electrical Systems
Solari & Ventus Power Installations

Oratio
Xiangyang industriae zona, Yueqing, Zhejiang, Sina
Tel