Zhejiang Sehnaider Electric Co., Ltd.
Zhejiang Sehnaider Electric Co., Ltd.
Productus
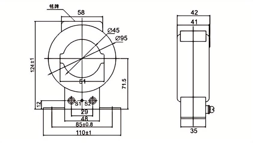
LMZJ1-0.5-50 Current Transformers
  • LMZJ1-0.5-50 Current TransformersLMZJ1-0.5-50 Current Transformers

LMZJ1-0.5-50 Current Transformers

LMZJ1-0.5-50 Current Transformers sunt disposito pro accurate mensurae et tutela in electrica systems. Cum a rated current of 0.5-50a, haec Transformers providere reliable perficientur in amplis applications.

Et lmzj1-0.5-50 series features princeps accurate, humilis phase angulo errore, et optimum linearity, cursus praeciso mensurae current campester. Hi current Transformers sunt pacto in magnitudine, faciens ea facilis ad install et idoneam usum in variis industriae environments. Cum autem robust constructione et summus qualis materiae, lmzj1-.5-50 current Transformers offerre diu terminus stabilitatem et diuturnitatem. Fiduciam LMZJ1-.5-50 Current Transformers ad accurate current mensurae et certa praesidium in electrica systems.


Specificatio

Rated voltage 500V
Rated frequency 50Hz
Rated prima current 10a, 12.5A, 15a, 20A, 25A .., 6000A
Rated secundarium current 5a; 1a
Secundarium Lond Power
elementum
0,8 (mora)
Rated output 2.5va, 5V, 10V, 20VA
Accuratio 0,2; 0.2s; 0,5; 0.5s
Africa resistentia Africa resistentia primaria curva ad secundarium curva
et terra ≥20mω
Potentia frequency
resistunt voltage
Pugnare valida valorem primaria curva ad secundarium curva
et in terra ≥ 3kv



Hot Tags: LMZJ1-0.5-50 Current Transformers
Mitte Inquisitionem
Contactus info
Si quis inquisitionis de quotation vel cooperante, placere sentire liberum ad email nos ad rarishthdahuelec.com vel uti sequenti inquisitionis forma. Nostri venditionesque repraesentativum et contact vobis in XXIV horas. Tibi gratias ago pro interest in products.
X
We use cookies to offer you a better browsing experience, analyze site traffic and personalize content. By using this site, you agree to our use of cookies. Privacy Policy
Reject Accept